上海恒點傳動設備有限公司
加微信聯系 恒點減速機QQ2:51228482
[HTML] [XML]  産品展示産品展示-RSS  新聞中心新聞中心-RSS  技術支持技術支持-RSS
産品分類: 減速機蝸輪絲杆升降機轉向箱蝸輪蝸杆減速機齒輪減速機行星齒輪減速機擺線針輪減速機無級變速機大功率減速器
上海恒點傳動設備有限公司
資訊分類
和産品相關的技術文章
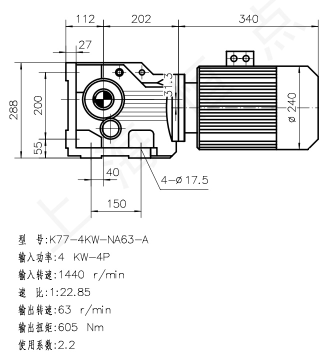
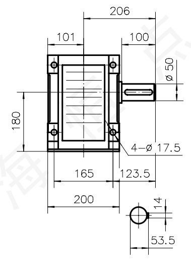
當前位置:網站首頁 > 技術支持 > K系列減速機[K77-Y4KW-NA63-A]标準件外型尺寸圖

K系列減速機[K77-Y4KW-NA63-A]标準件外型尺寸圖

Tags: K系列螺旋錐齒輪減速機    發布時間: 2013-12-02
   K系列減速機[K77-Y4KW-NA63-A]标準件外型尺寸圖,适用於K77系列減速機,配4KW四級普通電機,其他電機尺寸請來電咨詢,電話:021-22815912

K系列減速機[K77-Y4KW-NA63-A]标準件外型尺寸圖

K系列減速機[K77-Y4KW-NA63-A]标準件外型尺寸圖
上一篇 上一篇: K系列減速機[K77-Y2.2KW-NA24-AB]外型尺寸圖 雙出軸
下一篇 下一篇: T8轉向箱外型尺寸圖(1-LR,1-L,1-R等)
相關新聞文章 > 查看更多
軸承異響,可遵循“由外及内,由簡至繁”的原則進行排查 2026-01-28
軸承保持架的作用及結構特點 2025-12-18
電動機噪聲控制途徑及噪聲源的識别 2025-11-27
車削螺紋時常見故障及解決方法-亂扣 2025-08-28
影響對中精度的因素有哪些? 2025-08-08
絕對誤差與相對誤差有哪些特點 2025-07-11
仿形銑削還是等高線切削? 2025-05-29
錐齒輪承載能力計算方法第1部分:概述和通用影響系數術語與定義、代号與縮寫詞(GB/T10062.1-2003) 2025-05-06
英制齒輪的徑節是否和公制的模數一樣有一些标準數值 2025-02-27
什麽是軸承的裝配倒角最小值和最大值 2024-11-28
齒輪芯軸是怎樣裝配的? 2024-10-18
什麽是步進電機? 2024-09-09
返回頂部 關閉本頁】 【打印本頁
電 話:021-22815912  021-22816186  傳 真:021-32050712   郵箱:sales@021jsj.cn  減速機 絲杆升降機 轉向箱 蝸輪蝸杆減速機
Copyright©2009-2026上海恒點傳動設備有限公司 版權所有  地址:上海市金山區亭林鎮林寶路39号  郵編:200442  滬ICP備10206998号-2 
友情鏈接機械設備網 | 渦街流量計 | 輸送機 | 變頻控制櫃 | 破碎機 | 工業同城 | 手持終端 | 柴油發電機 | uv平闆打印機 | 風淋室 | QUV | 防火門 | 九愛圖紙 | 感應加熱設備 | 輸送帶廠家 | 噪聲治理 | 西門子plc | 拖鏈電纜 | AGV | 機械雜志 | 現代機械 | UWB高精度定位 |