加微信聯系
[HTML]
[XML]
産品展示
新聞中心
技術支持
網站首頁
公司介紹
産品展示
行業資訊
技術支持
樣本下載
産品應用
在線訂購
在線留言
聯系我們
産品分類:
減速機
┊
蝸輪絲杆升降機
┊
轉向箱
┊
蝸輪蝸杆減速機
┊
齒輪減速機
┊
行星齒輪減速機
┊
擺線針輪減速機
┊
無級變速機
┊
大功率減速器
┊
資訊分類
新聞中心
技術支持
産品資訊
和産品相關的技術文章
SWL蝸輪絲杆升降機
TRSS系列絲杆升降機
JWM螺旋升降機
T螺旋傘齒輪轉向箱
ARA螺旋錐齒輪轉向箱
HD螺旋錐齒換向器
R系列斜齒輪硬齒面減速機
S系列斜齒輪蝸輪減速機
K系列螺旋錐齒輪減速機
F系列平行軸斜齒輪減速機
RV系列蝸輪蝸杆減速機
WP鑄鐵蝸輪蝸杆減速機
伺服行星減速機
P系列行星齒輪減速器
X/B系列擺線針輪減速機
WB微型擺線減速機
MB無級變速機
G全封閉齒輪減速電機
MC硬齒面減速器
HB标準工業齒輪箱
Z系列硬齒面圓柱齒輪減速機
當前位置:
網站首頁
>
技術支持
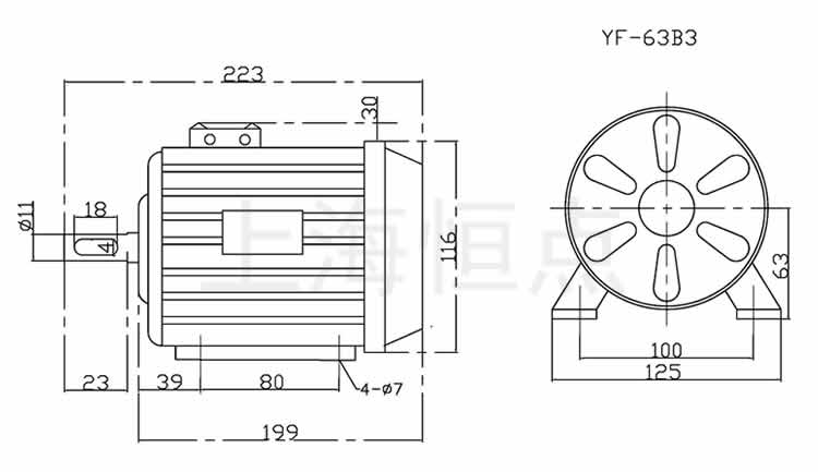
> Y2-63B3,YF-63B3,Y0.18KW-4P卧式電機(圓殼和方殼)外形尺寸圖及實物圖
Y2-63B3,YF-63B3,Y0.18KW-4P卧式電機(圓殼和方殼)外形尺寸圖及實物圖
Tags:
SWL蝸輪絲杆升降機
發布時間: 2023-08-15
普通三相異步電機,功率0.18KW,卧式安裝,Y263-B3,YF63-B3,Y0.18KW-4P卧式電機有圓殼和方殼的區别。(注:卧式電機的機座号,對應的是中心高尺寸,比如63機座,那麽這款電機的中心高就是63mm )
對於電機的外形尺寸來說,圓殼和方殼的安裝尺寸是一樣的。電機的輸出軸徑11mm,軸長23mm,底面安裝尺寸80*100,中心高63mm,全長223mm,附具體尺寸:
Y263-B3 Y0.18KW-4P圓殼電(diàn)機(jī)尺寸圖
YF63-B3 Y0.18KW-4P方殼電(diàn)機(jī)尺寸圖
卧式電機實物照片:
上一篇:
SWL100噸升降機 實物及對應的外形尺寸圖-恒點
下一篇:
ARA轉向箱實物 四色油漆(紅色,銀色,黑色,綠色)實拍圖-恒點
相關新聞文章
> 查看更多
304不鏽鋼爲什麽叫304?
2026-01-16
如何拆卸耕整機的齒輪箱零件
2025-12-08
合金元素Cr在40Cr、GCr15、CrWMn、1Cr13、1Cr18Ni9Ti、9CrSi2鋼中的作用
2025-11-17
獲得牢固釺焊接頭的關鍵是什麽
2025-10-23
什麽叫裝配,裝配的三要素是什麽,金屬結構的連接方法有哪幾種
2025-09-24
如何確定标準偏差的位數
2025-07-02
螺紋種類有多少
2025-04-04
什麽是球規值?什麽是球分規值?
2025-02-10
什麽是可分離軸承和不可分離軸承?
2024-12-31
什麽是軸承單元?
2024-12-18
什 麽 是 關 節 軸 承
2024-12-03
什麽是軸承的理論徑向遊隙、安裝遊隙、工作遊隙
2024-11-18
【
關閉本頁
】 【
打印本頁
】
電 話:021-22815912 021-22816186 傳 真:021-32050712 郵箱:sales@021jsj.cn
減速機
絲杆升降機
轉向箱
蝸輪蝸杆減速機
Copyright
©
2009-2026
上海恒點傳動設備有限公司
版權所有 地址:上海市金山區亭林鎮林寶路39号 郵編:200442
滬ICP備10206998号-2
友情鏈接
:
機械設備網
|
渦街流量計
|
輸送機
|
變頻控制櫃
|
破碎機
|
工業同城
|
手持終端
|
柴油發電機
|
uv平闆打印機
|
風淋室
|
QUV
|
防火門
|
九愛圖紙
|
感應加熱設備
|
輸送帶廠家
|
噪聲治理
|
西門子plc
|
拖鏈電纜
|
AGV
|
機械雜志
|
現代機械
|
UWB高精度定位
|
×
手機用戶請長(zhǎng)按添加到“照片”,然後(hòu)打開微信掃一掃選擇二維碼。