上海恒點傳動設備有限公司
加微信聯系 恒點減速機QQ2:51228482
[HTML] [XML]  産品展示産品展示-RSS  新聞中心新聞中心-RSS  技術支持技術支持-RSS
産品分類: 減速機蝸輪絲杆升降機轉向箱蝸輪蝸杆減速機齒輪減速機行星齒輪減速機擺線針輪減速機無級變速機大功率減速器
上海恒點傳動設備有限公司
資訊分類
和産品相關的技術文章
當前位置:網站首頁 > 技術支持 > 擺線針輪行星傳動 圖示方法(GB10107.2-88)

擺線針輪行星傳動 圖示方法(GB10107.2-88)

Tags: X/B系列擺線針輪減速機    發布時間: 2014-06-24
1主題内容與适用範圍
本标準規定瞭機械圖樣中擺線輪和針輪的畫法以及擺線針輪行星傳動機構簡圖的圖示符号。
本标準适用於擺線針輪行星傳動。
2引用标準
GB4457~4460 機械制圖
3擺線輪、針輪及其齧合畫法
3.1擺線輪的畫法
3.1.1齒頂圓和齒頂線用粗實線繪制造。
3.1.2齒根圓和齒根線用細實線繪制,也可省略不畫;在剖視圖中,齒根線用粗實線繪制。
3.1.3表示擺線輪一般用兩個視圖(圖1)。
3.1.4爲表明齒形,可用粗實線繪出一個或兩個齒;或用适當比例的局部放大圖表示(圖1、圖2)。
3.1.5在剖視圖中,當剖切平面通過擺線輪軸線時,輪齒一般按不剖處理(圖1、圖2);對奇數齒的擺線輪 ,其輪齒也可按剖切處理。
擺線針輪行星傳動 圖示方法
3.2針輪的畫法
針輪按GB4457.1~4458.5的規定繪制。
3.3擺線輪與針輪的齧合畫法。
3.3.1在剖視圖中,當剖切平面通過擺線輪和針輪的軸線時,在齧合區内,擺線輪輪齒部分按不剖處理。針輪的針齒銷一律按不剖處理。擺線輪輪齒被針齒遮擋的部分用虛線繪制(圖3),也可省略不畫。
3.3.2在剖視圖中,當剖切平面垂直於擺線輪與針輪軸線時,擺線輪按不剖繪制。
擺線針輪行星傳動 圖示方法
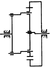
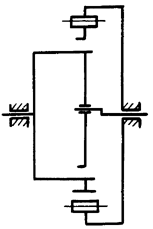
4擺線輪、針輪及其行星傳動機構簡圖的圖示符号(見表1)。
表1
名稱
基本符号
可用符号
擺線輪
擺線針輪行星傳動 圖示方法
 
針輪
擺線針輪行星傳動 圖示方法
擺線針輪行星傳動 圖示方法
傳動機構
擺線針輪行星傳動 圖示方法
擺線針輪行星傳動 圖示方法
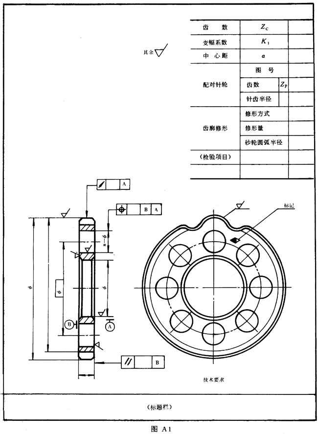
附錄A
擺線輪圖樣格式示例
(參考件)
A1本附錄僅舉出外齒擺線輪的圖樣格式(圖A1)。
圖中參數表一般放在圖樣的右上角;參數表中列出的參數項目可根據需要增減,檢驗項目按功能要求面定;圖樣中的技術要求一般放在該圖樣的右下角。
擺線針輪行星傳動 圖示方法
附加說明:
本标準由全國齒輪标準化技術委員會提出。
本标準由天津市石化通用機械研究所歸口。
本标準由天津市石化通用機械研究所和河北工學院起草。
本标準主要起草人楊寅生、戴天偉、胡順利。
上一篇 上一篇: 擺線針輪行星傳動 基本術語一般定義(GB10107.1-88)
下一篇 下一篇: 重載齒輪 失效判據主題内容與适用範圍、引用标準(JB/T5664-91)
相關新聞文章 > 查看更多
O型圈損壞的原因和措施-存放與管理不當 2026-02-07
什麽是偏心軸承 2025-08-04
軸承産品的标志通常标志在什麽位置 2025-07-24
平面二次包絡環面蝸杆減速器系列、潤滑和承載能力減速器的外形與結構尺寸(GB/T16444-1996) 2025-03-27
什麽是分部件 2024-12-24
什麽是軸承的直徑系列? 2024-12-13
軸承的使用壽命受哪些因素影響 2024-10-30
爲什麽步進電機的力矩會随轉速的升高而下降? 2024-09-17
圓柱齒輪檢驗實施規範第2部分:徑向綜合偏差、徑向跳動、齒厚和側隙的檢驗徑向綜合偏差的測量(GB/Z18620.2-2002) 2024-08-23
漸開線圓柱齒輪精度齒輪檢驗與公差(GB10095-88) 2024-07-19
圓弧圓柱齒輪精度定義和代号(GB/T15753-1995) 2024-05-22
輥道電機減速器引用标準(JB/T5562-91) 2024-04-20
返回頂部 關閉本頁】 【打印本頁
電 話:021-22815912  021-22816186  傳 真 :021-32050712   郵箱 :sales@021jsj.cn  減速機 絲杆升降機 轉向箱 蝸輪蝸杆減速機
Copyright©2009-2026上海恒點傳動設備有限公司 版權所有  地址:上海市金山區亭林鎮林寶路39号  郵編:200442  滬ICP備10206998号-2 
友情鏈接機械設備網 | 渦街流量計 | 輸送機 | 變頻控制櫃 | 破碎機 | 工業同城 | 手持終端 | 柴油發電機 | uv平闆打印機 | 風淋室 | QUV | 防火門 | 九愛圖紙 | 感應加熱設備 | 輸送帶廠家 | 噪聲治理 | 西門子plc | 拖鏈電纜 | AGV | 機械雜志 | 現代機械 | UWB高精度定位 |